Физика плазмы, 2021, T. 47, № 6, стр. 507-517
Геликонный источник плотной плазмы для линейных плазменных установок
Е. И. Кузьмин a, *, И. В. Шиховцев a
a Институт ядерной физики им. Г.И. Будкера СО РАН
Новосибирск, Россия
* E-mail: e.i.kuzmin.94@mail.ru
Поступила в редакцию 15.10.2020
После доработки 31.01.2021
Принята к публикации 02.02.2021
Аннотация
Представлены результаты экспериментов на линейной установке с геликонным плазменным источником, работающем на частоте 13.56 МГц при мощности до 15 кВт. В экспериментах использованы различные виды антенн с азимутальным волновым числом m = 0; ±1 (витковая, NAGOYA TYPE III и геликонная полуволновая антенны). Для указанных типов антенн были измерены радиальные профили плотности и электронной температуры плазмы в зависимости от магнитного поля под антенной и давления газа. Максимальная плотность плазмы, полученная в экспериментах, составила 2 × 1013 см–3, при величине магнитного поля около 200 Гс.
1. ВВЕДЕНИЕ
Одним из приоритетных направлений развития термоядерных технологий являются исследования по взаимодействию плазмы с материалами. Важность этих исследований связана с условиями работы первой стенки в реакторе под мощным воздействием потоков плазмы. Как правило, для материаловедческих исследований используются линейные плазменные установки, позволяющие проводить моделирование воздействия на стенки реактора при необходимых характеристиках потока плазмы. Источник плазмы для таких установок должен удовлетворять ряду требований, а именно: высокая плотность и однородность плазмы, отсутствие примесей и возможность стационарного режима работы [1].
Безэлектродные ВЧ-генераторы плазмы позволяют работать в стационарном режиме, давая при этом чистую плазму без примесей. В индукционном ВЧ-разряде плазма создается за счет передачи энергии электронам высокочастотными электрическими полями. При определенных условиях, возбуждаемые антенной на периферии волны с частотой $\omega \ll {{\omega }_{p}}$, распространяются внутрь, и их поглощение дает возможность генерировать плотную плазму во всем объеме разряда, увеличивая его эффективность. Этими свойствами обладают геликонные источники плазмы. Вместе с тем, они являются весьма чувствительными к таким параметрам, как давление газа, величина внешнего магнитного поля и его однородность, так что требуется оптимизация этих параметров для получения требуемых параметров плазменного потока.
Эксперименты проводились на линейной плазменной установке с геликонным источником плазмы [2]. Предполагается, что разрабатываемый геликонный источник может служить прототипом источника плазмы для линейной плазменной установки по исследованию материалов JULE-PSI [3]. Соответственно, основные требования к нему – это однородность плотности плазмы на размере 3–4 см, плотность плазмы ≥1013 см–3 и возможность работы в стационарном режиме.
В данной статье представлены первые результаты по созданию и исследованию плазмы на установке с геликонным источником в ИЯФ СО РАН. В разд. 2 представлено описание плазменного источника, магнитной системы и применяемых методов диагностики. В разд. 3 представлены основные экспериментальные данные, которые обсуждаются в разд. 4.
2. ЭКСПЕРИМЕНТАЛЬНАЯ УСТАНОВКА
Параметры установки и получаемой плазмы указаны в табл. 1, схема установки изображена на рис. 1. Геликонный источник представляет собой кварцевую вакуумную камеру ($\emptyset $110 мм, длина 400 мм), на которой устанавливается ВЧ-антенна с возможностью водяного охлаждения. На установке используется ВЧ-генератор COMDEL CX25000-S мощностью до 25 кВт. Для заданной мощности ожидаемая плотность плазмы $ > $1013 см–3, температура электронов ~5 эВ, что обусловлено экспериментальными результатами работ [4, 5]. Для согласования импеданса системы с нагрузкой генератора (50 Ом) между антенной и генератором установлено согласующее устройство с L‑схемой согласования. Камера находится в постоянном магнитном поле, создаваемом четырьмя соленоидами (490 витков) и пробочной катушкой (976 витков). Данный геликоннный источник имеет ряд важных технических особенностей. Геометрия магнитных полей за счет ослабления поля в области ВЧ-антенны повторяет конфигурацию пробкотрона, что улучшает удержание плазмы, а также эффективную передачу энергии ВЧ-полей вглубь плазмы [6]. Магнитное поле имеет минимум в области антенны с пробочным отношением ~2. Эта конструкция основана на успешном опыте открытых плазменных ловушек по генерации и удержанию плазмы в пробочной конфигурации [7], теория геликонного разряда в неоднородном магнитном поле представлена в работе [8]. Поскольку распределение магнитного поля в камере неоднородно (рис. 2), всюду, где особо не оговорено, указано усредненное магнитное поле вдоль антенны. Для изоляции плазмы от стенок источника и диэлектрической цилиндрической плазменной камеры предусмотрены три охлаждаемых медных лимитера. На установке имеется расширительный объем, который можно использовать для экспериментов по изменению коэффициента расширения плазменного потока и температуры электронов, а также для систем диагностики и откачки газа.
Таблица 1.
Параметры геликонного источника и плазмы
| Параметры | Значение |
|---|---|
| Частота, МГц | 13.56 |
| Мощность, кВт | ≤15 |
| Давление газа (Н2), мТорр | 10–45 |
| Магнитное поле, Гс | ≤1000 |
| Длительность разряда, с | 0.5–2 |
| Плотность, см−3 | 1011–1013 |
| Электронная температура, эВ | 5–12 |
| Диаметр плазмы, см | ~8–10 |
Рис. 1.
Геликонный источник плазмы: 1 – расширительный объем; 2, 4 – катушки магнитного поля; 3 – кварцевая камера; 5, 8 – лимитеры; 6 – подача газа; 7 – ВЧ-антенна; 9 – диагностическая камера; 10 – вакуумный объем стенда; 11 – поджиг, 12 – ось движения тройного зонда Ленгмюра.

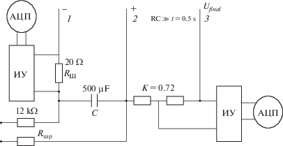
Вакуум в камере (~10–6 мТорр) создавался турбомолекулярным и форвакуумным насосами, откачка производилась со стороны вакуумного объема. Водород в камеру напускался в непрерывном режиме в течение импульса, при измерениях везде указано давление в камере в момент установления квазистационарного разряда. Для измерения плотности и электронной температуры плазмы в 340 мм от центра ВЧ-антенны расположен тройной ленгмюровский зонд на вертикальной подвижке. Данный зонд (рис. 3) состоит из трех электродов: электроды 1, 2 подключаются по схеме двойного зонда, между ними прикладывается напряжение –100 В, таким образом, они находятся в режиме ионного тока насыщения, электрод 3 находится в режиме плавающего потенциала. Электронная температура определяется с помощью напряжения между 2 и 3 электродами, а плотность с помощью ионного тока с электрода 1. Емкость C с помощью зарядных резисторов ${{R}_{{{\text{зар}}}}}$ заряжается до напряжения 100 В, номиналы резисторов подбираются так, чтобы длительность измеряемого сигнала была меньше времени разрядки емкости. Полная длительность разряда ~0.7 с, длительность квазистационарного режима ~0.5 с, ${{R}_{{{\text{зар}}}}} = 12$ кОм, ${\text{С}} = 500$ мкФ. Гальваническая развязка между зондом и измерительной схемой реализована с помощью оптронных преобразователей с малой емкостью связи между передатчиком и приемником, что позволяет избежать влияния емкостных помех, вызванных колебаниями потенциала плазмы.
В эксперименте были исследованы ВЧ-антенны, изображенные на рис. 4: NAGOYA TYPE III (NIII) и геликонная полуволновая (H–H) антенны с m = ±1 симметрией, а также витковая антенна с m = 0 симметрией, поскольку данный тип антенн широко распространен в экспериментальной физике индукционного разряда [9], и существуют весьма успешные результаты (ne ~ ~ 1012 см–3) по использованию витковой антенны на установках с магнитным полем и низкой ВЧ‑мощностью (до 1 кВт) [10]. Оптимальная длина ВЧ-антенн с m = ±1 определяется на основании рассуждений в работе Чена, где предложен механизм ионизации газа электронами с резонансным сечением [11]. Выбирая фазовую скорость волн равной скорости электронов с энергией ионизации ${{E}_{f}}$, получаем
(1)
$\frac{\omega }{{{{k}_{z}}}} = \sqrt {\frac{{2{{E}_{f}}}}{{{{m}_{e}}}}} = 5.93 \times {{10}^{5}}\sqrt {{{E}_{f}}} ~\;[{\text{м}} \cdot {{{\text{с}}}^{{ - 1}}}].$Рис. 4.
Типы использованных ВЧ-антенн: витковая (l = 3.6 см, m = 0); NIII (l = 16 см, m = ±1); H–H (l = 15 см, m = ±1); диаметр медной трубки d = 6 мм.

Отсюда, для водорода, принимая энергию электронов равной 50 эВ, имеем продольную длину волны ${{{{\lambda }}}_{{\text{z}}}}\sim 32$ см. Поскольку работы по оптимизации длины антенны [12, 13] показали наибольшую эффективность полуволновых антенн (${{l}_{a}} = {{{{\lambda }}}_{{\text{z}}}}{\text{/}}2$), длина азимутально-несимметричных антенн в эксперименте ~15 см.
3. ЭКСПЕРИМЕНТАЛЬНЫЕ РЕЗУЛЬТАТЫ
3.1. ВЧ-мощность
В эксперименте была исследована зависимость плотности и электронной температуры плазмы на оси от вводимой в разряд мощности. Поскольку ВЧ-мощность, магнитное поле и давление рабочего газа значительным образом влияют на плотность плазмы, при их изменении изменяется и плазменная нагрузка, поэтому необходима постоянная подстройка согласующих емкостей для оптимального поглощения мощности плазмой. При измерениях подстройкой контура допускалась отраженная мощность не более 10% от вводимой в разряд мощности.
Следует отметить, что для каждой антенны измерения по мощности выполнены при фиксированном магнитном поле и давлении газа, но оптимальные значения поля и давления зависят от величины мощности (разделы 3.2, 3.3) и существенно изменяют плотность и электронную температуру. Плотность плазмы равномерно увеличивается с ростом мощности для витковой антенны (рис. 5). При 15 кВт достигается плотность плазмы 4.4 × 1011 см–3. Электронная температура быстро растет в диапазоне от 0.5 до 3.5 кВт, далее температура электронов остается на уровне 8–10 эВ. Наибольший рост плотности плазмы наблюдается в диапазоне от 6 до 8 кВт. NIII антенна показывает более высокую эффективность ионизации почти на порядок: ${{n}_{e}} = 3 \times {{10}^{{12}}}$ см–3 при 15 кВт, также наблюдается резкий рост плотности от 5.5 до 7 кВт. Электронная температура имеет схожее распределение и температуру ~8–9 эВ. В экспериментах с полуволновой геликонной антенной удалось получить самые высокие значения плотности: ${{n}_{e}} = 5.5 \times {{10}^{{12}}}$ см–3 при 15 кВт. На интервалах от 2 до 3.5, от 5.5 до 7.5 и от 8.5 до 10 кВт наблюдаются скачки темпа роста плотности плазмы. Электронная температура в случае геликонной антенны несколько ниже, чем для витковой и NIII антенн, и составляет ~7–8 эВ.
3.2. Магнитное поле
Одной из целей данной работы было исследование влияния величины магнитного поля на генерацию разряда. Конструкция геликонного источника, используемого в эксперименте, предполагает возможность создания неоднородных магнитных полей, а увеличенное расстояние между катушками в районе ВЧ-антенны позволяет реализовать в источнике принцип открытых ловушек и увеличить градиент магнитного поля в области генерации плазмы. В ходе эксперимента были измерены зависимости плотности и электронной температуры от тока в катушках при различной мощности ВЧ-генератора.
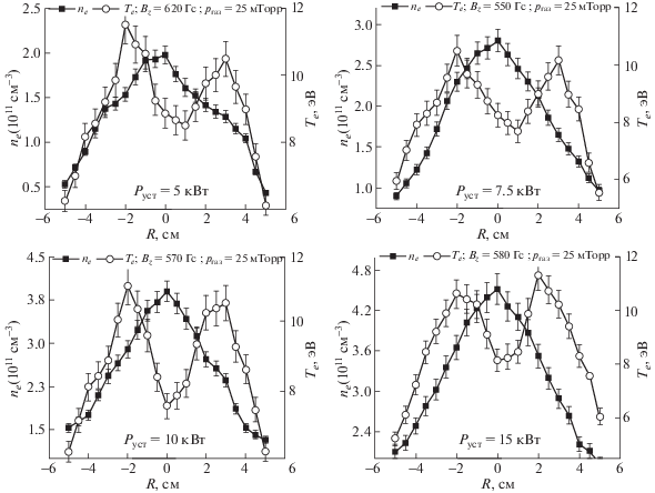
В случае витковой антенны не наблюдается ярко выраженных максимумов плотности по магнитному полю. Максимальная плотность плазмы 2.1 × 1011 см–3 достигается при магнитном поле 620 Гс при мощности 5 кВт. С ростом мощности оптимальное поле изменяется в пределах 40–70 Гс, а плотность плазмы равномерно, без скачков, достигая в максимуме 4.4 × 1011 см–3 при магнитном поле 580 Гс и мощности 15 кВт. Температура электронов слабо зависит от магнитного поля, выше 100 Гс электронная температура ~8–10 эВ. В эксперименте измерялись радиальные профили плотности и температуры. Данные для витковой антенны, соответствующие оптимальному магнитному полю для различной ВЧ-мощности, представлены на рис. 6. Плотность плазмы имеет колоколообразный профиль с максимумом на оси камеры. Электронная температура имеет максимумы в 3 см от оси источника (~10–12 эВ), минимум на оси (~7–8 эВ). С ростом мощности форма профилей плотности и электронной температуры не изменяется.
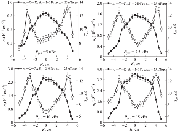
NIII антенна позволяет получить более высокую плотность плазмы по сравнению с витковой антенной. Для всех значений мощности оптимальное магнитное поле совпадает и равно 240 Гс (рис. 7). Разряд характеризуется быстрым нарастанием плотности плазмы в области низких полей до 250 Гс, при дальнейшем увеличении магнитного поля плотность равномерно спадает. При повышении мощности с 5 до 15 кВт плотность растет с 0.6 × 1012 см–3 до 3 × 1012 см-3. Электронная температура для 7.5, 10 и 15 кВт имеет минимум ~6–9 эВ в области наибольшей плотности, затем начинает линейно расти с магнитным полем до 12 эВ, для 5 кВт электронная температура имеет максимум Te = 13 эВ при 450 Гс. Радиальные профили ne (рис. 8) также имеют колоколообразное распределение, но плазма более однородна на радиусе меньше 3 см, при большем радиусе плотность резко уменьшается. Значение электронной температуры ~7–8 эВ на оси, в максимумах ~13 эВ на радиусе 3.5–4 см.
Рис. 7.
Плотность плазмы и электронная температура при различном магнитном поле в области NIII антенны.

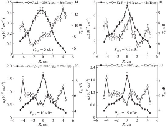
В экспериментах с H–H антенной наблюдается резкое увеличение плотности при оптимальных значениях поля (рис. 9). При увеличении подводимой мощности наблюдается изменение оптимальных значений Bz: максимум плотности 0.4 × 1013 см–3 был получен при 205 Гс для 5 кВт, для мощностей 7.5, 10 и 15 кВт оптимальное поле равно 140 Гс, а достигаемые плотности соответственно 0.5 × 1013, 0.7 × 1013 и 1.2 × 1013 см–3. При Bz > 250 Гс плотность плазмы постепенно снижается. Распределение температуры аналогично случаю NIII антенны, при этом минимальная температура (~6 эВ) соответствует резкому скачку плотности при 15 кВт. Радиальные профили плотности плазмы и электронной температуры (рис. 10) обнаруживают ряд особенностей, не наблюдавшихся в экспериментах с витковой и NIII антенной. Форма радиального профиля плотности становится более пикированной с ростом ВЧ‑мощности и при 15 кВт падает в два раза на расстоянии 1 см от оси. При 5 кВт наблюдаются пики 10 и 13 эВ в точках $R = - 4$ и R = 4 см, с минимумом при $R = - 2$ см (~6.5 эВ). При 7.5 кВт максимум электронной температуры 8.5 эВ находится на оси, с сохранением пиков в точках $R = \pm 4$ см. Подобную форму профиль температуры имеет место только при мощности 7–8 кВт и магнитном поле ~140 Гс, объяснение данного эффекта требует изучения волновой структуры магнитных полей в плазме. При дальнейшем повышении мощности распределение температуры вновь имеет “седловидный” характер. В целом, разряд характеризуется более низкой температурой плазмы по сравнению с витковой и NIII антеннами.
Рис. 9.
Плотность плазмы и электронная температура при различном магнитном поле в области H–H антенны.

Для данной работы все измерения проводились в условиях распространения m = 1 моды и kz > 0, но также были проведены измерения плотности плазмы при смене направления магнитного поля при сохранении ориентации электродов ВЧ-антенн, что соответствует случаю $m = - 1$ и ${{k}_{z}} < 0$. Поскольку форма витковой антенны соответствует m = 0 моде, а NIII антенна является симметричной, смена направления Bz не влияет на измеряемые ne и Te. Результаты для H–H антенны показаны на рис. 11. Магнитное поле со знаком “плюс” соответствует распространению в камере преимущественно моды m = 1 и положительным волновым числам (направление kz совпадает с направлением Bz, а электрическое поле волны вращается по часовой стрелке, если смотреть вдоль магнитного поля), и наоборот для знака “минус”. Как видно, плазма в случае Bz > 0 имеет плотность на порядок выше (${{n}_{e}}_{{,\max }}\sim $ 3.6 × × 1012 см–3), чем для отрицательного поля (${{n}_{e}}_{{,\max }}\sim $ ~ 0.4 × 1011 см–3).
3.3. Давление водорода
Для резонансных значений магнитного поля, представленных в разд. 3.2, были измерены зависимости плотности и электронной температуры от давления нейтрального газа в плазменной камере в диапазоне от 10 до 47 мТорр. Распределение плотности по давлению нейтрального газа для витковой антенны (при мощности 5, 7.5, 10 и 15 кВт) показаны на рис. 12. При 5 кВт оптимальное давление газа в камере 23 мТорр, а плотность плазмы ~1.9 × 1011 см–3; при повышении мощности до 15 кВт плотность достигает значения 4.4 × 1011 см–3, а оптимальное давление почти не меняется. Минимум электронной температуры (~8 эВ) соответствует максимальным значениям плотности, максимум температуры наблюдается в диапазоне от 12 до 15 мТорр.
Рис. 12.
Зависимость плотности плазмы от давления в газоразрядной камере при различной ВЧ-мощности (витковая антенна).

Распределения плотности плазмы и электронной температуры NIII по давлению в камере при 240 Гс представлены на рис. 13. При 5 кВт оптимальное давление в камере 32 мТорр, а плотность равна 0.9 × 1012 см–3, с увеличением мощности оптимальное давление газа уменьшается незначительно – 21 мТорр для 15 кВт (ne = 3.6 × 1012 см–3). Температура электронов имеет минимум в области наибольшей плотности (Te ~ 7 эВ), и растет при уменьшении и увеличении давления (кроме случая Pуст = 5 кВт, для которого Te, как и ne, почти не меняются по давлению).
Рис. 13.
Зависимости плотности плазмы и электронной температуры от давления в газоразрядной камере при магнитном поле 240 Гс и различной ВЧ-мощности (NIII антенна).

H–H антенна характеризуется повышенным значением оптимального давления по сравнению с витковой и NIII антеннами (рис. 14). При мощности 5 кВт оптимальное давление в камере ~36 мТорр, плотность ~0.4 × 1013 см–3, с ростом мощности оптимальное давление газа увеличивается: при 15 кВт оптимальное давление составляет 42 мТорр, (ne = 2.05 × 1013 см–3). При мощности 10 кВт наблюдается резкий скачок по плотности в диапазоне от 30 до 40 мТорр. Температура электронов имеет минимум в области максимальной плотности при мощности 7.5, 10 и 15 кВт.
4. ОБСУЖДЕНИЕ
В эксперименте достигнуто согласование ВЧ‑мощности с плазменной нагрузкой при 15 кВт, и получены распределения плотности по магнитному полю и давлению газа для мощности 5–15 кВт. Также изучены режимы генерации плазмы с использованием трех видов антенн с азимутальным числом m = 0; ±1 в пробкотронной конфигурации магнитного поля. Витковая антенна продемонстрировала самые низкие результаты по созданию плотной плазмы (~1011 см–3), что делает ее неподходящей для предполагаемых реализаций разрабатываемого источника в материаловедческих исследованиях. Причина может заключаться в отсутствии геликонной моды в разряде, и ионизация идет за счет емкостного и индукционного разрядов с характерной низкой плотностью плазмы. Недостатком этой антенны является более высокое ВЧ-напряжение, что накладывает определенные технические ограничения, однако профиль получаемой плазмы обладает высокой однородностью, а при повышении мощности не наблюдается скачков нагрузки плазмы (как в случае m = ±1 антеннами), осложняющих согласование. NAGOYA TYPE III антенна дает более высокие значения плотности (~1012 см–3), обладая довольно однородными профилями плотности. Также преимуществом NIII антенны можно считать более плавные зависимости по магнитному полю и меньшее давление нейтрального газа по сравнению с Н-Н антенной, что упрощает режим работы и технические требования к установке. Среди изученных антенн H–H антенна демонстрирует лучшие значения плотности плазмы (~1013 см–3), что уже наблюдалось в ряде экспериментов [10, 14]. Этот факт можно объяснить более высокими значениями азимутального тока, возбуждаемого геликонной антенной [15]. Кроме того, поскольку геликонные волны обладают круговой поляризацией, спиральная форма геликонной антенны позволяет полю волны эффективнее взаимодействовать с электронами. Оптимальные магнитные поля для NIII и H–H антенн близки к теоретической оценке (208 Гс), полученной для водородной плазмы в работе [16]. Данная оценка поля соответствует частоте нижнегибридного резонанса для конкретного геликонного источника, что совпадает с результатами работы [17], в которой величина оптимального поля в случае неоднородного распределения также соответствовала зоне нижнегибридного резонанса.
В работе [13] Ф. Ченом показано, что поляризация геликонной антенны значительно влияет на эффективность разряда, поскольку спектр азимутального тока геликонной антенны несимметричен по kz, а левополяризованные волны (мода $m = - 1$) плохо распространяются в плазме и быстро затухают по сравнению с правополяризованными (m = 1). Наибольшая плотность плазмы соответствует азимутальной моде m = 1 и kz > 0, а наименьшая – $m = - 1$ и ${{k}_{z}} > 0$. Эксперименты по смене направления демонстрируют сильную зависимость плотности от взаимной ориентации H–H антенны и магнитного поля, совпадая с результатами, полученными Ченом, что является весомым аргументом в пользу наличия и распространения в разряде геликонных волн с m = ±1 в случае H–H антенны. Радиальное распределение плотности сохраняет максимум на оси для всех антенн, также как сохраняется и “седловидное” распределение электронной температуры с минимумом на оси и максимумами на периферии плазмы. Предположительно, это связано с нагревом наружного слоя плазмы быстро затухающими электростатическими волнами Трайвелписа–Гоулда [18], дающими значительный вклад в поглощение мощности. В эксперименте с H–H антенной обнаружено повышение концентрации плотности на оси с увеличением ВЧ-мощности с формированием выраженного пика размером ~1 см. При повышении мощности наблюдается уменьшение области оптимального для ne магнитного поля, что является важным результатом в рамках разрабатываемой концепции магнитного пробкотрона. По этим причинам в последующих экспериментах планируется сосредоточиться на ВЧ-антеннах геликонного типа, в частности на измерении электромагнитных полей в создаваемом разряде и оптимизации профиля плазмы для целей материаловедческих исследований, а также дальнейшее повышение ВЧ-мощности, вводимой в разряд.
Данное исследование выполнено при финансовой поддержке РФФИ в рамках научного проекта № 19-32-90117 “ВЧ источник плотной плазмы на основе геликонного разряда в неоднородном внешнем магнитном поле для материаловедческих исследований”.
Список литературы
Kreter A., Brandt C., Huber A., Kraus S., Möller S., Reinhart M., Schweer B., Sergienko G., Unterberg B. // Fusion Sci. Technol. 2015. V. 68. P. 8. https://doi.org/10.13182/FST14-906
Ivanov A.A., Davydenko V.I., Kotelnikov I.A., Kreter A., Mishagin V.V., Prokhorov I.A., Shikhovtsev I.V., Unterberg B. // Trans. Fusion Sci. Technol. 2013. V. 63.
Linsmeier Ch., Unterberg B., Coenen J.W., Doerner R.P., Greuner H., Kreter A., Linke J., Maier H. // Nucl. Fusion. 2017. V. 57. P. 092012. https://doi.org/10.1088/1741-4326/aa4feb
Blackwell B.D., Caneses J.F., Samuell C.M., Wach J., Howard J., Corr C. // Plasma Sources Sci. Technol. 2012. V. 21. P. 055033. https://doi.org/10.1088/0963-0252/21/5/055033
Thakur S.C., Simmonds M.J., Caneses J.F., Chang F., Doerner R.P., Goulding R., Lumsdaine A., Rapp J., Tynan G.R. // arxiv.org/abs/2005.11214.
Virko V.F., Shamrai K.P., Virko Yu.V., Kirichenko G.S. // Phys. Plasmas. 2004. V. 11. P. 3888. https://doi.org/10.1063/1.1764830
Иванов А.А., Приходько В.В. // УФН. 2017. Т. 187. С. 547.
Тимофеев А. В. // Физика плазмы. 2002. Т. 28. С. 984.
Иванов А.А., Шиховцев И.В., Подыминогин А.А., Авербух И.И., Ахметов Т.Д., Давыденко В.И., Дейчули П.П. // Физика плазмы. 2002. Т. 28. С. 221.
Virko V.F., Kirichenko G.S., Shamrai K.P. // Plasma Sources Sci. Technol. 2002. V. 11. P. 10. https://doi.org/10.1088/0963-0252/11/1/302
Chen F.F. // Plasma Phys. Controlled Fusion. 1991. V. 33. P. 339.
Porte L., Yun S.M., Arnush D., Chen F.F. // Plasma Sources Sci. Technol. 2003. V. 12. P. 287. https://doi.org/10.1088/0963-0252/12/2/320
Miljak D.G., Chen F.F. // Plasma Sources Sci. Technol. 1998. V. 7. P. 61.
Blackwell D.D., Chen F.F. // Plasma Sources Sci. Technol. 1997. V. 6. P. 569.
Arnush D., Chen F.F. // Phys. Plasmas. 1998. V. 5. P.1239. https://doi.org/10.1063/1.872782
Kotelnikov I. A. // Phys. Plasmas. 2014. V. 21. P. 122101. https://doi.org/10.1063/1.4903329
Yoshitaka M., Nakashima H., Baity F.W., Goulding R.H., Carter M.D., Sparks D.O. // Thin Solid Films. 2006. V. 506–507. P. 583. https://doi.org/10.1016/j.tsf.2005.08.063
Arnush D. // Phys. Plasmas. 2000. V. 7. P. 3042.
Дополнительные материалы отсутствуют.










