Приборы и техника эксперимента, 2023, № 6, стр. 203-211
ЗАМКНУТЫЙ БЕСКОНТАКТНЫЙ МЕТОД ИССЛЕДОВАНИЯ ТЕПЛОФИЗИЧЕСКИХ СВОЙСТВ МЕТАЛЛОВ И СПЛАВОВ В ОБЛАСТИ ТЕМПЕРАТУР 1000–2500 К
А. В. Румянцев a, *, И. Н. Пятых a
a Балтийский федеральный университет им. Иммануила Канта
236041 Калининград, ул. Александра Невского, 14, Россия
* E-mail: albert37@list.ru
Поступила в редакцию 01.09.2022
После доработки 23.12.2022
Принята к публикации 03.02.2023
- EDN: SUMLUE
- DOI: 10.31857/S0032816223040055
Аннотация
Описан замкнутый бесконтактный метод сходящихся радиальных температурных волн, создаваемых при высокочастотном индукционном модулированном нагреве образца цилиндрической формы. Метод предназначен для исследования теплофизических свойств металлов и сплавов в области высоких температур. Для реализации метода создана экспериментальная установка на базе современной аппаратуры. По данным эксперимента теплофизические параметры определяются со следующими погрешностями: температуропроводность – 2%; теплоемкость – 3%; теплопроводность – 5%; удельное электросопротивление – 1.4%; мощность – 2%. После этого вычисляются плотность, коэффициент объемного теплового расширения, электронная и решеточная теплопроводность, объемная теплоемкость, коэффициент теплоусвоения, монохроматическая и интегральная степени черноты, энтальпия, энтропия, энергия Гиббса. На конкретном примере при исследовании сплава замещения и сплава внедрения показаны преимущества замкнутого метода.
ВВЕДЕНИЕ
Главным недостатком современных, даже комплексных, методов, рассмотренных в обзоре А.Д. Ивлиева [1], является их незамкнутость. Определяются, например, только температуропроводность или температуропроводность и удельная теплоемкость. Незамкнутость метода означает, что при обработке результатов эксперимента необходимо использовать внешние данные, взятые из справочников или журнальных статей. Этот недостаток особенно заметен при исследовании новых материалов, сплавов замещения и внедрения. Замкнутым является метод, в котором при обработке результатов эксперимента не используют внешние данные, вся нужная информация содержится в данных, полученных в ходе эксперимента. Различают контактный и бесконтактный методы. В области высоких температур предпочтителен последний, так как в этом случае отпадает необходимость внесения поправок на теплоотвод по токоподводам, потенциальным выводам, термопарам.
В данной работе приведено описание замкнутого бесконтактного метода, установки для его реализации, методик проведения эксперимента и обработки данных эксперимента.
Для исследования теплофизических свойств металлов и сплавов в области высоких температур широко используются методы температурных волн [1], в частности, метод радиальных сходящихся/расходящихся температурных волн, реализуемый на образцах цилиндрической формы [2–5].
В области высоких температур наиболее эффективным методом является метод регулярного теплового режима третьего рода – режима установившихся периодических изменений температуры, который позволяет уменьшить влияние теплообмена излучением до величины, носящей характер малой поправки, ограничиться одним датчиком температуры, обеспечить естественную многократную повторяемость получаемых в эксперименте данных, широко использовать радиотехнические средства измерений.
Сущность предлагаемого метода состоит в следующем. Образец исследуемого материала, имеющий форму сплошного цилиндра, нагревается при помощи коаксиально расположенного индуктора, подключенного к блоку нагревательного контура высокочастотного генератора. При периодических изменениях (модуляции) мощности нагрева в образце возникает колебательный тепловой процесс – так называемые радиальные температурные волны, распространяющиеся от поверхности образца к его оси. Используется регулярная стадия процесса (установившийся тепловой режим), в которой колебания температуры в любой точке образца однозначно определяются его тепловыми и электрическими свойствами и законом изменения мощности. Основное содержание метода состоит в аналитическом выражении указанных взаимосвязей, вследствие чего процесс измерений сводится к регистрации колебаний температуры образца и определению вводимой в него мощности. Существенным является выполнение следующего требования: отношение амплитуды колебания температуры ϑ к установившейся средней температуре образца θ должно удовлетворять условию (ϑ/θ) ≪ 1, что позволяет рассматривать влияние теплообмена за счет излучения в виде малой поправки и, тем самым, линеаризовать задачу и использовать принцип суперпозиции.
Индукционный нагрев имеет ряд преимуществ в сравнении с электронным нагревом. Во-первых, источник нагрева – индуктор – имеет температуру охлаждающей воды, в то время как при электронном нагреве раскаленные электроды распыляются и материал электродов попадает на образец. Во-вторых, отпадает необходимость в исключении влияния излучения электродов на регистрируемое излучение поверхности образца (полезный сигнал). К достоинству индукционного и электронного нагревов следует отнести возможность исследовать большеразмерные цилиндрические образцы, в силу чего процесс сублимации практически не оказывает влияния на экспериментальные результаты, в отличие от работы с малоразмерными образцами. Теория метода достаточно подробно изложена в работах [2–4].
ОПИСАНИЕ УСТАНОВКИ
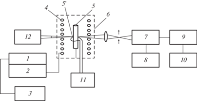
Реализация метода радиальных температурных волн осуществляется на установке, схема которой представлена на рис. 1. В качестве источника энергии используется серийный высокочастотный генератор ВЧУ-15/440 (мощность 15 кВт, частота 440 кГц), который состоит из двух связанных блоков: высокочастотного транзисторного генератора ВГТ-7 (1) и блока нагревательного контура БНК (2). Подключенный к БНК охлаждаемый водой индуктор (4) размещается в вакуумной камере агрегата ВА-01. Верхняя часть камеры – стеклянный колпак (6), шлиф которого через вакуумную смазку соединен с водоохлаждаемым шлифом нижней металлической части камеры. В камере обеспечивается давление на уровне 10–5 Торр. В индуктор (4) коаксиально помещен исследуемый образец (5) в виде цилиндра. Диаметр образца 8–10 мм, длина 80–100 мм. В центре цилиндра выполнено отверстие (5 ') диаметром 0.7 мм и глубиной 6 мм, представляющее собой модель абсолютно черного тела (коэффициент излучения около ~0.99), по излучению которой оптическим пирометром (12) ЛОП-72 (λ = = 0.65 мкм) определяется абсолютная температура Т. Этим же пирометром определяется температура поверхности образца – яркостная температура Тs. Градуировочная характеристика пирометра поправлена на наличие стекла между образцом и пирометром.
Рис. 1.
Принципиальная схема установки: 1 – ВГТ7; 2 – БНК; 3 – блок модуляции; 4 – индуктор; 5 – образец с отверстием 5 ' в центре; 6 – колпак; 7 – ФД-263; 8 – схема компенсации; 9 – измерительный блок; 10 – блок регистрации; 11 – измеритель ЭДС; 12 – пирометр ЛОП-72.

Периодические изменения вводимой в образец мощности осуществляются в режиме “включено/выключено”, для чего генератор прямоугольных импульсов AFG-72005 (3) подает на ВГТ-7 (1) запирающий сигнал амплитудой 10 В и частотой φi (значение частоты отражается на дисплее генератора). Колебания температуры регистрируются с небольшого участка поверхности образца вблизи его середины тремя фотодиодами ФД-263 (7), которые размещены на водоохлаждаемой пластине. На фотодиоды подается напряжение питания +27 В от трех батарей, имеющих общую нагрузку Rф = 1.0 МОм. Постоянная составляющая сигнала V=, соответствующая средней температуре θ образца, компенсируется схемой деления напряжения (8), а переменная составляющая V~, обусловленная колебаниями температуры ϑ, подается с нагрузки фотодиодов на цифровой осциллограф USB АКИП серии 75000 (9) для измерения амплитуды 1-й гармоники колебания температуры. Судить о полноте компенсации постоянного сигнала можно по расположению осциллограммы на экране ноутбука (10). Осциллограмма должна располагаться симметрично относительно средней линии. Вид типичной осциллограммы при записи колебаний температуры приведен на рис. 2.
Рис. 2.
Типичная осциллограмма колебания температуры поверхности: 1 – кривая изменения температуры; 2 – генератор включен; 3 – генератор выключен; 4 – средняя (нулевая) линия, относительно которой кривая 1 должна располагаться симметрично.

Для реализации бесконтактного метода определения ρ – удельного электросопротивления вокруг образца на уровне его середины располагаются две разного диаметра катушки с нанесенной на их внешней поверхности резьбой глубиной и шагом 0.3 мм на каждую из которых навиты 5 витков вольфрамовой проволоки диаметром 0.1 мм с выводами от двух, трех и пяти витков каждой катушки. Выводы подключены к шестидиапазонному переключателю с выходом на цифровой осциллограф DSO 1002A (11), что позволяет измерять по три ЭДС с каждой катушки: ε2, ε3 и ε5.
В эксперименте с осциллографа USB АКИП серии 75 000 на экран ноутбука выводится изображение кривой колебания температуры при фиксированной частоте модуляции φi (i = 1–4). Схемой компенсации кривая колебания температуры располагается симметрично относительно средней линии, и измеряется амплитуда первой гармоники. Схема компенсации представляет собой делитель напряжения, что позволяет изменением напряжения на постоянном сопротивлении Rп = = 0.5 кОм подавать на сопротивление, равное сопротивлению, к которому подключены фотодиоды, напряжение (–V=) обратного знака, компенсирующее напряжение +V=, обусловленное постоянной составляющей температуры θ. Величина V= рассчитывается по формуле
где Е – напряжение питания схемы компенсации 27 В (три батареи); Rмаг – магазин сопротивлений типа МСР-60, наименьший шаг 0.01 Ом.Варьированием величины Rмаг добиваются, чтобы кривая колебаний температуры располагалась симметрично относительно средней линии, после чего величина Rмаг регистрировалась. Одновременно регистрировались 6 значений ЭДС εi и с помощью пирометра ЛОП-72 замерялись токи Iпир и Iпир,s. Регистрировалась также частота f (в килогерцах) и частоты модуляции φi (в герцах), выведенные на дисплеях генераторов. Затем изменением мощности нагрева устанавливалась следующая температура, и процесс измерений повторялся вплоть до достижения максимальной температуры.
Результатами эксперимента при фиксированной температуре являлись 4 значения V~ и Rмаг, соответствующие четырем частотам φ модуляции (показаны на дисплее генератора модуляции), 6 значений ЭДС εi; линейная частота индукционного генератора f (отражается на дисплее генератора), измеренные токи через пирометрическую лампу пирометра при сравнении ее светимости со светимостью модели черного тела – Iпир, или поверхности образца – Iпир,s. Размеры образца и катушек измерены заранее.
Степень соответствия реальных условий эксперимента теории метода проверялась на образцах разных диаметров. Отличие температурных изотерм вдоль длины образца от изотерм для случая аксиальной симметрии отмечено в области, примыкающей к торцам сплошного цилиндра 1.5d. Это означает, что на остальной длине образца осевые волны отсутствуют, как того требует теория радиальных температурных волн.
Существенным является выбор радиусов контуров. Исследования в работе [3] показали, что для приемлемой точности измерения мощности в 2% минимальный радиус контура должен иметь размер Rк,min > 1.3 Rобр. Максимальная величина радиуса контура ограничивается областью, в которой начинает сказываться влияние отдельных витков индуктора (Rинд = 20), Rк max < (Rинд – 5h), где h ~ 1.5 – зазор между витками индуктора.
С учетом этих соотношений найдем 1.3 Rобр < < Rк < (Rинд – 5h).
Для R ~ 5–6 получим 16 < dk < 25. Отсюда dк min ~ 17, dк max ~ 24 и dк max /dк min = 1.4.
ПРИМЕР РАСЧЕТА ОСНОВНЫХ ТЕПЛОФИЗИЧЕСКИХ ХАРАКТЕРИСТИК
Для подтверждения работоспособности предлагаемого метода приведем процедуру регистрации результатов эксперимента и расчета по ним таких параметров, как а, сp, λ, ρ, d, β, ελТ и εТ сплава Ta10W0.25C (карбид).
По достижении давления 10–5 Торр включается генератор ВЧУ-15/440 и устанавливается температура около ~ 2000 К. Этот режим сохраняется примерно 2 ч. Затем осуществляется юстировка оптической схемы регистрации светимости с небольшого участка посередине поверхности образца и выставляется минимальная мощность (на дисплее генератора ВГТ-7 высвечивается частота генератора f в кГц), после чего включается модуляционный генератор с предварительно выставленной частотой φi модуляции, которая указывается на дисплее в герцах. Генератор ВГТ-7 и связанный с ним БНК начинают работать в режиме “включено/выключено”. По прошествии некоторого времени устанавливается средняя температура θ и измеряются токи Iпир и Iпир, s. С выхода измерительного осциллографа USB АКИП серии 75 000 сигнал подается на экран ноутбука, и с помощью магазина сопротивлений МСР-60 в компенсационной схеме осциллограмма колебаний температуры ϑ выставляется симметрично относительно нулевой – средней линии на экране ноутбука.
Значения сопротивлений Rмаг записываются, как и частоты генераторов, и токи пирометра. Затем на экране ноутбука включается опция “спектр” и измеряется V~ – амплитуда 1-й гармоники колебания температуры. С помощью осциллографа DSO1002A 60 МГц замеряются ЭДС с пяти, трех и двух витков каждой из катушек, диаметры которых равны 24 мм и 17 мм (n = 1.4). Затем устанавливается следующая частота модуляции, и вся процедура с регистрацией данных повторяется, как показано выше. Обычно устанавливается 4 частоты модуляции. Затем вводимая мощность повышается, и вновь вся процедура повторяется, но уже при новой температуре, и так до конца диапазона. Результаты типичного эксперимента представлены в табл. 1. Здесь же приведен предварительно найденный параметр оптической системы γ = 1.51 ∙ 104 К.
Таблица 1.
Экспериментальные данные
| fген, кГц | φмодул, Гц | Iпир, А | Rмаг, кОм | V~, B | mвитк | E1, B | E2, B | Iпир, s, А |
|---|---|---|---|---|---|---|---|---|
| 436.2 | 0.320 | 0.340 | 3.5676 | 0.381 | 5 | 136.15 | 56.17 | 0.302 |
| 432.4 | 0.480 | 0.339 | 3.5663 | 0.210 | 3 | 81.70 | 33.71 | 0.299 |
| 429.0 | 0.720 | 0.342 | 3.5809 | 0.158 | 2 | 54.55 | 22.47 | 0.301 |
| 428.4 | 0.864 | 0.340 | 3.5477 | 0.126 | Среднее | 0.298 | ||
| γ = 1.51 · 104 K | Емодул = 27 В | 0.300 | ||||||
Обработка результатов эксперимента начинается с вычисления абсолютной и яркостной температур: Т = 1297 К и Тs = 1237 К, определяемых по значениям Iпир и Iпир,s. Данные для остальных расчетов приведены в табл. 2.
Таблица 2.
Расчет безразмерной толщины скин-слоя η и удельного электросопротивления ρ 1-й гармоники мощности
| ε1, В | ε2, В | ${{{{\bar {\varepsilon }}}}_{2}}$/${{{{\bar {\varepsilon }}}}_{1}}$ | Расчет по формуле |
|---|---|---|---|
| 27.230 | 11.239 | 11.240/27.231= 0.412612 | (2) |
| 27.233 | 11.243 | η = 3.36268 · 0.412612–1.328 = 0.059483 | (3) |
| 27.227 | 11.238 | ρ = (2πdη)2F · 10–4 = 39.4384 · 25 · 10–6 · (5.9483 · 10–2)2 · 432 · 10–4 = 59.75 · 10–8 Ом ⋅ м | (4) |
| ${{{{\bar {\varepsilon }}}}_{1}}$ | ${{{{\bar {\varepsilon }}}}_{2}}$ | W(${{{{\bar {\varepsilon }}}}_{1}}$,ρ, η) = 4177.201 Вт/м; W(${{{{\bar {\varepsilon }}}}_{2}}$,ρ, η) = 4182.369 Вт/м; $\bar {W} = $ 4179.785 Вт/м | (5) |
| 27.230 | 11.240 |
В нашей работе [6] предложен новый бесконтактный способ определения ρ с использованием формулы для мощности: по отношению измеренных в процессе эксперимента ЭДС с одного витка контуров разных диаметров (заметим, что мощность не зависит от диаметра контуров):
(2)
$\begin{gathered} \frac{{{{{\bar {\varepsilon }}}_{2}}}}{{{{{\bar {\varepsilon }}}_{1}}}} = {{\left( {\frac{{{{{[N_{{{\text{к}}2}}^{2} - 1 + 2{{f}_{2}}(\eta )]}}^{2}} + 4{{\eta }^{2}}f_{1}^{2}(\eta )}}{{{{{[N_{{{\text{к}}1}}^{2} - 1 + 2{{f}_{2}}(\eta )]}}^{2}} + 4{{\eta }^{2}}f_{1}^{2}(\eta )}}} \right)}^{{1{\text{/}}2}}}, \\ {{N}_{{{\text{к2}}}}} < {{N}_{{{\text{к1}}}}}. \\ \end{gathered} $(3)
$\eta ({{\bar {\varepsilon }}_{2}},{{\bar {\varepsilon }}_{1}}) = 3.36268({{\bar {\varepsilon }}_{2}}{\text{/}}{{\bar {\varepsilon }}_{1}}) - 1.328.$Таким образом, метод становится бесконтактным, при этом отпадает необходимость в измерении величины ρ в отдельном эксперименте, она находится по данным эксперимента. Это особенно важно при исследованиях металлов с фазовым α–β-переходом.
Знание средних значений ЭДС, η и ρ, приведенных в табл. 2, позволяет рассчитать мощность, введенную в образец [2–4]:
(5)
$W = \frac{{2{{{\bar {\varepsilon }}}^{2}}{{\eta }^{3}}}}{{\pi \rho }}\frac{{{{f}_{1}}(\eta )}}{{{{{\left[ {N_{k}^{2} - 1 + 2{{f}_{2}}(\eta )} \right]}}^{2}} + 4{{\eta }^{2}}f_{1}^{2}(\eta )}},$По данным Rмаг и V~, приведенным в табл. 1, по формуле (1) находится V= (см. табл. 3). На основе этих данных по формуле
рассчитывают амплитуды первых гармоник колебания температуры ϑ (γ = 1.51 ∙ 104 К) (см. табл. 3).Таблица 3.
Расчет амплитуды 1-й гармоники колебания температуры
| φмодул, Гц | Rмаг, кОм | V~, B | V=, В, расчет по (1) |
ϑ, К, расчет по (6) |
|---|---|---|---|---|
| 0.320 | 3.5676 | 0.381 | 3.319 | 12.8 |
| 0.480 | 3.5663 | 0.210 | 3.320 | 7.03 |
| 0.720 | 3.5809 | 0.158 | 3.308 | 5.33 |
| 0.864 | 3.5477 | 0.126 | 3.335 | 4.21 |
По данным табл. 3 находят значения отношения ϑi/ϑj (6 значений), что позволяет по предварительно построенным зависимостям ϑi/ϑj = = f($\unicode{230} _{j}^{2}$, η) найти $\unicode{230} _{j}^{2}$. Тогда температуропроводность можно вычислить по формуле
Можно вычислить и значения функций ψ1(æ2, η) и ψ2(æ2, η). Результаты расчетов заносятся в табл. 4.Таблица 4.
Расчет температуропроводности и табулированных функций ψ1(æ2, η) и ψ2(æ2, η)
| ϑi/ϑj | ϑ1/ϑ2 | ϑ1/ϑ3 | ϑ1/ϑ4 | ϑ2/ϑ3 | ϑ2/ϑ4 | ϑ3/ϑ4 | |
|---|---|---|---|---|---|---|---|
| 1.82 | 2.409 | 3.055 | 1.326 | 1.642 | 1.279 | ||
| $\unicode{230} _{i}^{2}$ | $\unicode{230} _{2}^{2}$ | $\unicode{230} _{3}^{2}$ | $\unicode{230} _{4}^{2}$ | $\unicode{230} _{3}^{2}$ | $\unicode{230} _{4}^{2}$ | $\unicode{230} _{4}^{2}$ | |
| 2.32 | 3.47 | 5.18 | 6.31 | 6.25 | 6.27 | ||
| а, 10–6 м2/с расчет по (7) | 21.60 | 21.72 | 21.81 | 21.50 | 21.71 | 21.64 | а = 21.66 · 10–6 м2/с |
| |%| | 0.28 | 0.277 | 0.69 | 0.74 | 0.23 | 0.092 | 0.380 |
| ψ1(æ2, η) | 1.019 | 1.143 | 1.272 | 1.389 | |||
| ψ2(æ2, η) | 1.193 | 0.653 | 0.499 | 0.436 |
По данным таблиц 2–4 и формулам для расчета удельной теплоемкости ср (m – масса единицы длины образца) и теплопроводности λ:
(8)
${{c}_{p}} = {\text{ }}[\overline W {\text{/}}(m2\pi \varphi \vartheta )]{{\psi }_{1}}({{\unicode{230} }^{2}},\eta ),$(9)
$~\lambda = {\text{ }}[\overline W {\text{/}}(2\pi \vartheta )]{{\psi }_{2}}({{\unicode{230} }^{2}},\eta )$Таблица 5.
Результаты определения основных теплофизических характеристик сплава внедрения
| T = 1297 К | ||||||||
|---|---|---|---|---|---|---|---|---|
| а, 10–6 м2/с, расчет по (7) |
ср, 102 Дж/(кг ∙ К), расчет по (8) |
λ, Вт/(м ∙ К), расчет по (9) |
ρ, 10–8 Ом ∙ м |
d, 103 кг/м3 |
β, 10–6 1/К |
εТ | ελТ | |
| 21.60 | 1.692 | 62.70 | 59.75 | 16.82 | 20.5 | 0.161 | 0.440 | |
| 21.72 | 1.706 | 62.82 | ||||||
| 21.81 | 1.670 | 61.53 | ||||||
| 21.50 | 1.775 | 60.86 | ||||||
| 21.71 | ||||||||
| 21.63 | ||||||||
| Среднее | 21.66 | 1.710 | 61.98 | |||||
| |%| | 0.38 | 1.87 | 1.27 | |||||
Как и следовало ожидать, погрешность определения температуропроводности наименьшая в сравнении с остальными. Это связано с тем, что погрешности определения ср и λ зависят от погрешностей определения первых гармоник амплитуды колебания температуры ϑ и мощности W1, введенной в исследуемый образец, которые малы. Полученные результаты подтверждают работоспособность установки для экспериментального определения теплофизических характеристик металлов и сплавов.
ЭКСПЕРИМЕНТАЛЬНЫЕ РЕЗУЛЬТАТЫ В ДИАПАЗОНЕ 1000–2500 К
Преимущества замкнутого метода особенно заметны при исследованиях теплофизических свойств сплава замещения и сплава внедрения – карбида, аномальное поведение политерм всех свойств которого ожидаемо. Считается, что при исследовании сплавов замещения теплоемкость и плотность как аддитивные свойства могут быть найдены по процентным вкладам основных компонентов сплава, значения которых обычно известны. Однако, с нашей точки зрения, и сплавы замещения нужно изучать экспериментально, а использование аддитивности указанных свойств необходимо лишь для оценки их величины.
В качестве подтверждения данного утверждения на рис. 3–5 приведены результаты исследования сплавов замещения и внедрения – Ta10W и Ta10W0.25С (карбид) с помощью описанного замкнутого бесконтактного метода. У политерм свойств карбида сохранены маркеры, чтобы показать малость изменений температуры в ходе эксперимента. Такие малые ∆Т нужны, чтобы определить температуру начала аномального поведения того или иного свойства карбида. Согласно всем рисункам, это температура $Т \approx 1900$ К.
Рис. 3.
Политермы сплава замещения (1) и сплава внедрения (2): а – температуропроводности, б – удельной теплоемкости.

Рис. 4.
Политермы сплава замещения (1) и сплава внедрения (2): а – теплопроводности, б – удельного электросопротивления.

Рис. 5.
Политермы сплава замещения (1) и сплава внедрения (2): а – плотности, б – коэффициента объемного теплового расширения.

Температуропроводность обоих сплавов падает с ростом температуры, причем у карбида, начиная с Т ~ 1900 К, очень существенно. В диапазоне 1900–2300 К падение составляет более 41% (рис. 3а). У сплава замещения падение температуропроводности во всем диапазоне составляет 16.5%. Такое поведение политерм температуропроводности сплавов (у сплава внедрения только до Т ~ ~ 1900 К) объясняется тем, что температуропроводность Та в этом диапазоне температур тоже падает на 16.5%. Температуропроводности сплавов лежат несколько выше температуропроводности тантала вследствие вклада в них большой температуропроводности W, величина которой почти в два раза превышает таковую для Та.
На рис. 3б приведены политермы удельной теплоемкости сплавов. До температуры 1900 К теплоемкости сплавов почти совпадают по величине, но выше 1900 К теплоемкость сплава внедрения возрастает с температурой на 36%, в то время как у сплава замещения всего лишь на 15.6% во всем диапазоне. Различия экспериментальных и найденных по процентам данных для теплоемкости сплава замещения на концах диапазона составляет 5.3% и 3.6% соответственно. Политерма теплоемкости сплава внедрения, как и политерма температуропроводности, начиная с Т ~ 1900 К, носит явно выраженный аномальный характер.
На рис. 4а приведены политермы теплопроводности. Теплопроводность сплава замещения и ее электронный компонент растут с температурой на 7.2% и 17.4% соответственно. Теплопроводность карбида до температуры Т = 1900 К монотонно падает на 3.3%, после чего наблюдается резкое падение на 42%. Электронный компонент λе теплопроводности карбида, как и сплава замещения, до температуры 1900 К растет на 19.8%, после чего, пересекая суммарную политерму λ, монотонно падает примерно на 0.9%. Это свидетельствует о том, что пользоваться законом Видемана–Франца в данном случае можно только до Т ~ 1900 К. При более высокой температуре свойства сплава внедрения ведут себя аномально.
Политермы удельного электросопротивления сплавов (рис. 4б) практически параллельны до Т ~ 1900 К и монотонно возрастают примерно на 60%. Выше этой температуры ρ сплава Ta10W0.25C возрастает примерно на 30%, а ρ сплава Ta10W продолжает линейно расти: увеличение на концах диапазона – в 2.2 раза. Аномальный характер зависимости ρ карбида при Т > 1900 К определяет, во-первых, поведение его политермы λе в зависимости от температуры и, во-вторых, свидетельствует о неприменимости закона Видемана–Франца в диапазоне температуры 1900–2300 К.
По соотношению d = λ/(а ср) (средним их значениям) рассчитывается плотность d, и затем по известной формуле находится коэффициент объемного теплового расширения β = f(d). Результаты представлены на рис. 5а и 5б. Как и политермы других свойств сплава внедрения, политермы плотности и коэффициента объемного теплового расширения ведут себя аномально при Т > 1900 К. Практическое совпадение при Т < 1900 К политерм плотности обоих сплавов свидетельствует о том, что политермы, по которым рассчитывались политермы плотности, найдены правильно. В этом заключается одно из важных преимуществ замкнутого метода, позволяющего осуществить внутренний контроль полученных данных. Плотность сплава замещения, рассчитанная по процентным вкладам основных компонентов, отличается от приведенных в среднем примерно на 2%. Тем не менее, необходимо экспериментально исследовать и плотности сплавов замещения, поскольку даже для них аномальность поведения политермы плотности не исключается [7].
Максимальная погрешность измерения температуропроводности определяется в основном ошибкой измерения 1-й гармоники амплитуды колебания температуры – 0.5–0.6%, и в оптимальном интервале частот модуляции она составляет 1.5–2.0%. Систематическая погрешность при этом примерно равна 1%.
Погрешности определения теплоемкости и теплопроводности зависят, в основном, от точности измерения 1-й гармоники амплитуды колебания температуры 0.5–0.6% и мощности (2%). Для теплоемкости в итоге будем иметь 3% (систематическая погрешность около 1%); для теплопроводности соответственно 4–5% (систематическая погрешность около ~2%). Отметим, что за величину систематической погрешности ответственны погрешности определения значений табулированных функций ψ1(æ2, η) и, особенно, ψ2(æ2, η), учитывающих поправку на объемный характер тепловыделения (η > 0) в образце.
Относительная погрешность определения мощности составляет 2% и включает в себя удвоенную ошибку измерения амплитуды ЭДС εi (0.6%), половину погрешности определения ρ (0.7%), ошибку определения геометрического фактора R/(Rк – R)2 (~0.7%).
Использование индукционного способа нагрева исследуемого материала накладывает ограничение на его электрические свойства. Максимальное значение толщины скин-слоя σmax = 1.0, исходя из этого максимальную величину удельного электросопротивления материала при максимальной температуре 2500 К можно определить как:
Так как ρ ~ Т, то при температуре порядка 300 К найдем допустимое значение ρ для материала, свойства которого можно исследовать с помощью предлагаемого метода: Полученное значение ρ(300 К) показывает, что практически все металлы, кроме ртути, могут быть исследованы данным методом.ВЫВОДЫ
Выявление физических причин того или иного поведения политерм свойств обоих сплавов в задачу авторов не входило. Важно было подробно на конкретном материале показать преимущества замкнутого метода исследования теплофизических свойств металлов и сплавов в области высоких температур. На основании приведенных данных можно сформулировать следующие выводы:
1) на конкретном примере показана работоспособность описанного метода;
2) у сплава замещения экспериментально выявлена линейная зависимость почти всех теплофизических свойств от температуры в диапазоне 1000–2500 К, характерной для чистых металлов;
3) выявлены особенности поведения свойств сплава внедрения, связанные с влиянием карбидной составляющей; определена температура Т = = 1900 К, после которой наблюдается аномальность в поведении этих свойств; только этот сплав обладает действительно новыми аномальными свойствами, сильно отличающимися от свойств основных компонент.
Список литературы
Ивлиев А.Д. // ТВТ. 2009. Т. 47. № 5. С. 771.
Филиппов Л.П. Измерения теплофизических свойств веществ методом периодического нагрева. М.: Энергоатомиздат, 1984.
Макаренко И.Н. Дисс. канд. физ.-мат. наук. М.: МГУ, 1970.
Арутюнов А.В. Дисс. канд. физ.-мат. наук. М.: МГУ, 1970.
Аталла С.Р. Автореферат дисс. канд. физ.-мат. наук. М.: МГУ, 1971.
Румянцев А.В., Никишин М.А., Харюков В.Г. // ПТЭ. 2019. № 3. С. 143. https://doi.org/10.1134/S0032816219030091
Андрианова В.Г., Жук А.З., Зайченко В.Н., Зарецкий Е.Б., Петухов В.А., Чеховcкой В.Я. // ТВТ. 1983. Т. 21. В. 1. С. 80.
Дополнительные материалы отсутствуют.
Инструменты
Приборы и техника эксперимента


